CA-IS3417WT

f_ico02.svg

量产

1700V 高压隔离开关

CA-IS3417WT 是一款低 EMI、输入光耦兼容的增强型绝 缘高压隔离开关,原边输入级为模拟二极管(e-diode), 在保持光耦输入特性的同时还具有更好的一致性、长期 稳定性和更高的可靠性,其传输特性不会像传统光 MOS 继电器一样随着使用时间的增加而出现光衰老化 现象。另外相比传统的机械继电器,CA-IS3417WT 的开 关次数更多,使用寿命更长。
CA-IS3417WT的副边集成了耐压高达1700V背靠背的SiC MOSFET,由于 SiC MOSFET 具有更好的高温特性和可靠 性,使得该器件可以在更高环境温度下稳定运行。
CA-IS3417WT 采用 12 脚宽体 SOIC 封装,引脚排布兼容 主流光 MOS 继电器,原副边之间的隔离耐压高达 5kVRMS @ 1 分钟,支持在额定扩展工业温度范围内( 40°C 到 125°C)正常工作。

package-soic12-wb-wt.png
  • 特性

    常开器件(输入不加电输出关断)

    输入光耦兼容,模拟光耦输入特性:

    无传统光耦的光衰老化特性
    输入最高反向耐压5.5V

    内部集成背靠背SiC MOSFET:

    输出关断电压高达1700V(最小值)
    输出关断漏电流低至1μA(最大值)
    输出导通电阻:50Ω(典型值)
    支持高达50mA的输出导通电流
    开启和关断时间小于300μs

    宽工作温度范围:

    –40°C ~ 125°C

    高CMTI:

    ±150kV/µs(典型值)

    低EMI:

    满足CISPR32 Class B 标准(两层PCB)

    优异的隔离性能(认证中):

    符合UL 1577 认证,1 分钟5kVRMS 隔离耐压
    符合DIN EN IEC 60747-17 (VDE 0884-17) 标准的7070VPK VIOTM 和 2121VPK VIORM

    采用12引脚宽体SOIC封装:

    输入侧与输出侧爬电距离和电气间隙≥ 8mm
    输出端口之间爬电距离和电气间隙≥ 5.84mm

  • 应用

    • 固态继电器

    • 电池管理系统

    • 储能系统

    • 太阳能

    • 新能源汽车充电装置

  • 器件信息

    零件号封装封装尺寸(标称值)
    CA-IS3417WTSOIC12-WB(WT)10.30 mm × 7.50 mm
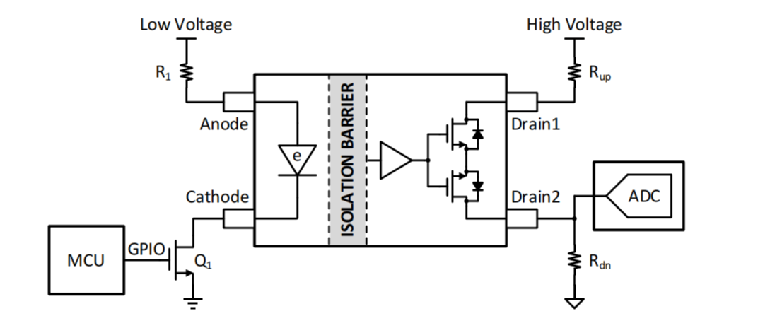
  • 简化通道结构图

    企业微信截图_17199733763556.png